1KN 系列安全光幕符合國際安全標準 IEC61496-1 與 IEC61496-2 TYPE 2 之安全要求,並取得歐洲知名驗證機構之符合證書,並符合國內 TS 認證。
由於工廠場地狹窄,機台都並排擺設且距離都較近,導致紅外線先天容易受干擾的特性被突顯,因此1KN系列透過頻率與紅外線感應元件的硬體配置有效改善光幕之間互相干擾的問題。
此光幕光柵具備高解析度感測功能,是各類光柵應用的理想選擇

光軸數 | 6 ~ 72 | |
偵測解析能力 | 30mm | 40mm |
偵測區域(mm) | 180mm ~ 1830mm | 190mm ~ 1840mm |
偵測範圍 | 0.5m ~ 5m | 4m ~ 10m |
反應時間 | 20msec (不包含繼電器開關時間) | |
操作溫度 | 0℃ 至 +50℃ | |
防水防塵等級 | IP65 防護程度 | |
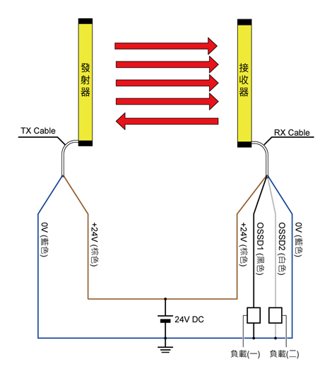
電源供應 | 24VDC ± 10%,1.5A (MAX) | |
消耗功率 | 發射端 200mA + 接收端 200mA + OSSD Output ( 500mA max. ) | |
光幕端接線接頭 | M12端子型 (T型) | |
外表塗裝 | 鋁擠型;橘色烤漆處理 | |
安全分類 | IEC61496-1 & IEC61496-2 : TYPE 2 IEC62061 SIL1 & ISO13849-1 PLc | |
輸出模式 | 2組獨立安全輸出 (固態電晶體 PNP 開關 : 每組 500mA@24V DC) | |
偵測解析能力 30mm | 偵測解析能力 40mm | 衝、剪類設備專用型 (T型出線) | |||||
偵測範圍 0.5m 至 5m | 偵測範圍 4m 至 10m | ||||||
光軸數 | 型號 | 偵測區域 (K) (mm) | 型號 | 偵測區域 (K) (mm) | 光幕總長 (B) (mm) | 安裝長度 (C) (mm) | 組合總長 (D) (mm) |
6 | 1KN6-180 | 180 | 1KN6-190L | 190 | 195 | 265 | 288 |
12 | 1KN12-330 | 330 | 1KN12-340L | 340 | 345 | 415 | 438 |
18 | 1KN18-480 | 480 | 1KN18-490L | 490 | 495 | 565 | 588 |
24 | 1KN24-630 | 630 | 1KN24-640L | 640 | 645 | 715 | 738 |
30 | 1KN30-780 | 780 | 1KN30-790L | 790 | 795 | 865 | 888 |
36 | 1KN36-930 | 930 | 1KN36-940L | 940 | 945 | 1015 | 1038 |
42 | 1KN42-1080 | 1080 | 1KN42-1090L | 1090 | 1095 | 1165 | 1188 |
48 | 1KN48-1230 | 1230 | 1KN48-1240L | 1240 | 1245 | 1315 | 1338 |
54 | 1KN54-1380 | 1380 | 1KN54-1390L | 1390 | 1395 | 1465 | 1488 |
60 | 1KN60-1530 | 1530 | 1KN60-1540L | 1540 | 1445 | 1615 | 1638 |
66 | 1KN66-1680 | 1680 | 1KN66-1690L | 1690 | 1695 | 1765 | 1788 |
72 | 1KN72-1830 | 1830 | 1KN72-1840L | 1840 | 1845 | 1915 | 1938 |



LED燈號 | 狀態與意義 | |
|---|---|---|
F1 | 黃燈閃爍 | 發射端(TX)正常運作且已對準接收端(RX) |
F1 | 黃燈恆亮 | 光幕被遮蔽或未對準接收端(RX) |
F2 | 黃燈閃爍 | 接收端(RX)正常運作且已對準發射端(TX) |
F2 | 黃燈恆亮 | 光幕被遮蔽或未對準發射端(TX) |
F3 | 綠燈恆亮 | 正常偵測中,OSSDs輸出開啟 |
F4 | 紅燈恆亮 | 光幕被遮蔽,OSSDs輸出關閉 |
F4 | 紅燈閃爍 | 異常鎖定,請排除後重新送電 |




